Aperiodic and Reflex Enclosures

Left: Tannoy Lancaster. Right: Tannoy Corner Lancaster
 

Tannoy Lancaster

The Lancaster cabinet may be used with either the MonitorRed or Monitor Gold speakers. When a 12-inch unit is used, the cabinet isoperated as a bass reflex enclosure. With a 15-inch unit, Tannoy plans indicatethat the bass reflex port is omitted, making the enclosure "aperiodic"(in "Tannoy-speak").

The corner enclosures were designated "Lancaster C",and the rectangular enclosures "Lancaster F" (for free standing).

As with any cabinet, internal bracing and wall padding isa must. Tannoy recommend 150mm of cotton waste, or fibre-glass. The bottomof the cabinet may lined with 220mm with advantage.

See also:

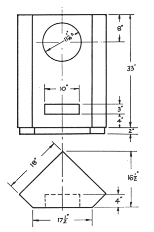
Lancaster F designsketch.

Lancaster C designsketch.

Lancaster engineering drawing

Tannoy York

The York is a bass-reflex enclosure of larger capacity than the Lancaster.It features a dual port (one on each side-panel of the cabinet).

The York was also made in a free-standing rectangular version.

See also a design sketch for the Yorkcorner cabinet, and also an engineering drawing.

III LZ

This cabinet is designed for the III-LZ dual concentric drive unit,which is 10-inches in diameter. The cabinet has is of the acoustic suspensiontype (ie: aperiodic) and features heavy internal padding.

See also design plans for this enclosure.

 


 

 

Return to: Tannoy Page;    Main Audio Page;    kiewa Valley home page


This page is created and maintained by Steve, at kiewa ValleyStereo.

The information contained in these web pages may NOT be used or reproduced
for commercial purposes without permission.